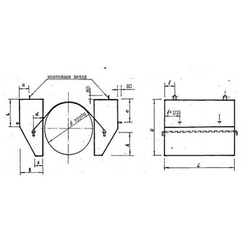
УБО-УМ 1020

Чертеж изделия:
Характеристики изделия:
ПараметрЗначение
длина1500 мм
ширина550 мм
высота1100 мм
масса4100 кг
нормативный документТУ 5853-003-89632342-2009

УБО-УМ 1020 Утяжелители охватывающего типа по ТУ 5853-003-89632342-2009.