СБН 27.7.3.0

Чертеж изделия:
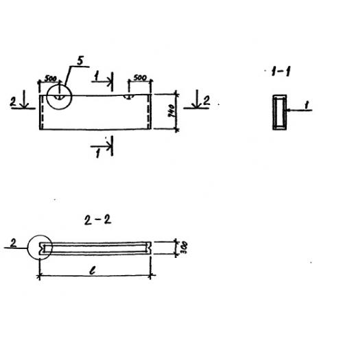
Характеристики изделия:
ПараметрЗначение
длина2710 мм
ширина300 мм
высота740 мм
вес480 кг
серияТП 213-2-183

СБН 27.7.3.0 Стеновые блоки наружные по проекту ТП 213-2-183.