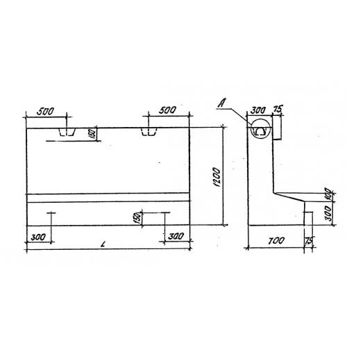
БЭ 3
Характеристики изделия:
| Параметр | Значение |
|---|---|
| длина | 4000 мм |
| ширина | 700 мм |
| высота | 1200 мм |
| масса | 5000 кг |
| нормативный документ | Шифр 2175РЧ |
Цена:
Рассчитать стоимостьБЭ 3 Блоки противфильтрационного экрана по Шифру 2175РЧ.
| Параметр | Значение |
|---|---|
| длина | 4000 мм |
| ширина | 700 мм |
| высота | 1200 мм |
| масса | 5000 кг |
| нормативный документ | Шифр 2175РЧ |
БЭ 3 Блоки противфильтрационного экрана по Шифру 2175РЧ.
