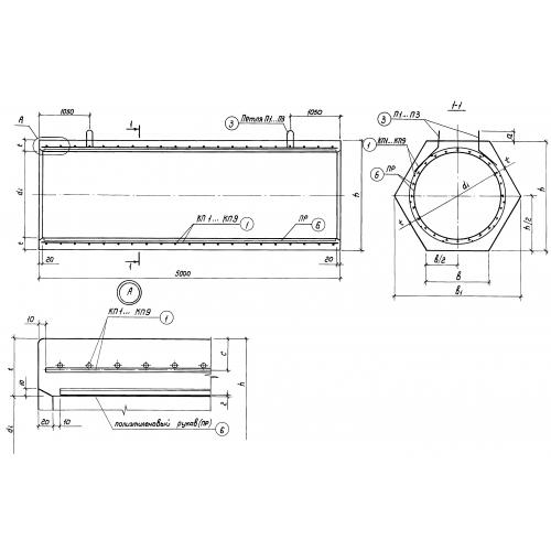
ТНП 40.50

Чертеж изделия:
Характеристики изделия:
ПараметрЗначение
длина5000 мм
ширина600 мм
высота520 мм
вес1350 кг
серия3.820.1-80.94

ТНП 40.50 Трубы напорные с внутренней полиэтиленовой облицовкой по серии 3.820.1-80.94.