БГ-1

Чертеж изделия:
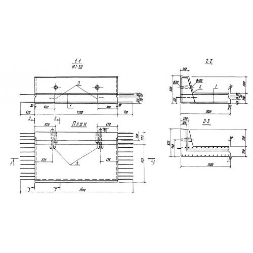
Характеристики изделия:
ПараметрЗначение
длина3400 мм
ширина1500 мм
высота830 мм
масса3750 кг
нормативный документСерия 3.820.1-29

БГ-1 Блоки гасителя по Серии 3.820.1-29.