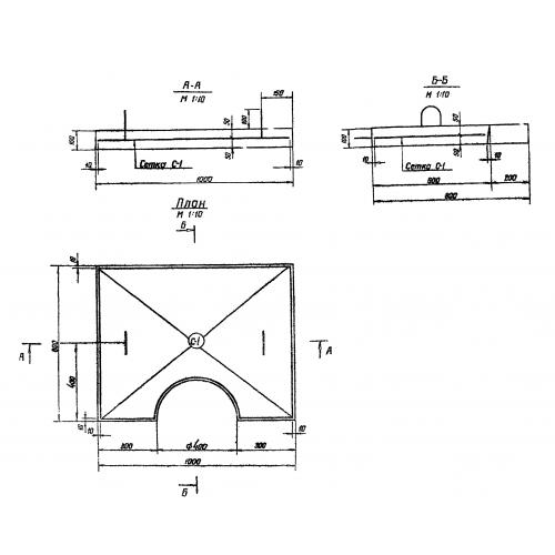
ПГ

Чертеж изделия:
Характеристики изделия:
ПараметрЗначение
длина1000 мм
ширина800 мм
высота100 мм
вес185 кг
серия3.820-9

ПГ Плиты гидрантов по серии 3.820-9.