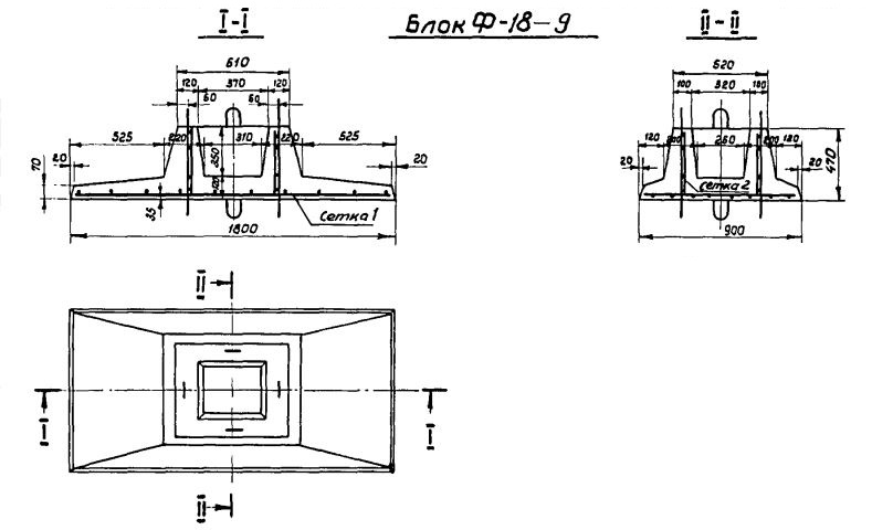
Ф 18-9
Характеристики изделия:
| Параметр | Значение |
|---|---|
| Длина | 1800 мм |
| Ширина | 900 мм |
| Высота | 470 мм |
| Масса | 665 кг |
| Нормативный документ | Серия 3.820-3 |
Цена:
Рассчитать стоимостьФ 18-9 Фундаменты для лотков глубиной от 400 мм до 800 мм по Серии 3.820-3.
| Параметр | Значение |
|---|---|
| Длина | 1800 мм |
| Ширина | 900 мм |
| Высота | 470 мм |
| Масса | 665 кг |
| Нормативный документ | Серия 3.820-3 |
Ф 18-9 Фундаменты для лотков глубиной от 400 мм до 800 мм по Серии 3.820-3.