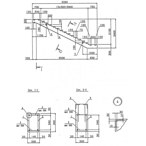
КЛ 535.210 Косоур лестничных сходов

Чертеж изделия:
Характеристики изделия:
ПараметрЗначение
длина5350 мм
ширина200 мм
высота300 мм
вес1100 кг
нормативный документСерия 3.503.1-96

КЛ 535.210 Косоуры лестничных сходов по Серии 3.503.1-96.