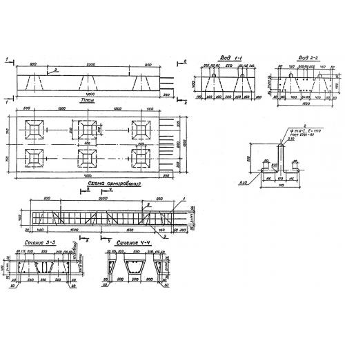
5БН 40

Чертеж изделия:
Характеристики изделия:
ПараметрЗначение
длина4000 мм
ширина1500 мм
высота400 мм
вес5130 кг
серия3.503.1-79

5БН 40 - блоки насадок.   Насадки на сваи по серии 3.503.1-79.