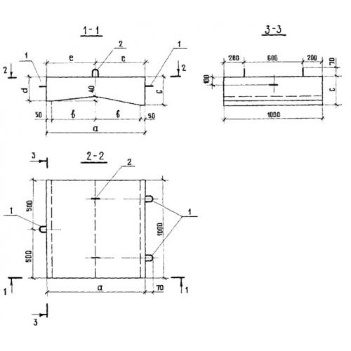
Б 1-20-50 блок

Чертеж изделия:
Характеристики изделия:
ПараметрЗначение
длина1000 мм
ширина500 мм
высота250 мм
вес240 кг
серия3.503.1-66

Б 1-20-50  Прикромочные блоки бетонные по серии 3.503.1-66.