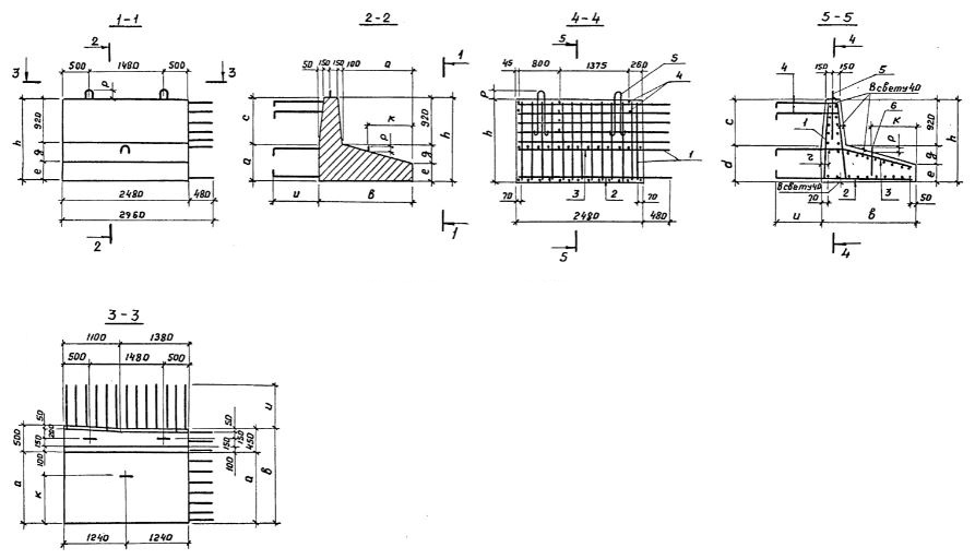
ФК

Чертеж изделия:
Характеристики изделия:
ПараметрЗначение
длина2960 мм
ширина2880 мм
высота1720 мм
масса10500 кг
нормативный документСерия 3.503.1-57

ФК  Блоки фундамента Серия 3.503.1-57.