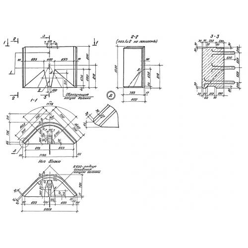
3К 14.15

Чертеж изделия:
Характеристики изделия:
ПараметрЗначение
длина2008 мм
ширина800 мм
высота1500 мм
вес3500 кг
серия3.501.1-150

3К 14.15 Блоки контурные концевые по серии 3.501.1-150.