К 5
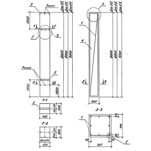
Характеристики изделия:
| Параметр | Значение |
|---|---|
| длина | 6600 мм |
| ширина | 400 мм |
| высота | 400 мм |
| масса | 2600 кг |
| нормативный документ | Серия 3.015-16.94 |
Цена:
Рассчитать стоимостьК 5 Колонны бетонные Серия 3.015-16.94.
| Параметр | Значение |
|---|---|
| длина | 6600 мм |
| ширина | 400 мм |
| высота | 400 мм |
| масса | 2600 кг |
| нормативный документ | Серия 3.015-16.94 |
К 5 Колонны бетонные Серия 3.015-16.94.
