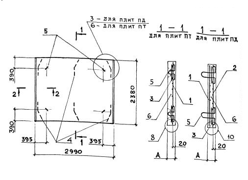
ПД 300.240.20 плиты днища

Чертеж изделия:
Характеристики изделия:
ПараметрЗначение
длина2990 мм
ширина2380 мм
высота200 мм
масса3550 кг
нормативный документСерия 3.006.1-8

ПД 300.240.20  Плиты днища каналов Серия 3.006.1-8.