ЛК 75.360.150 лотки

Чертеж изделия:
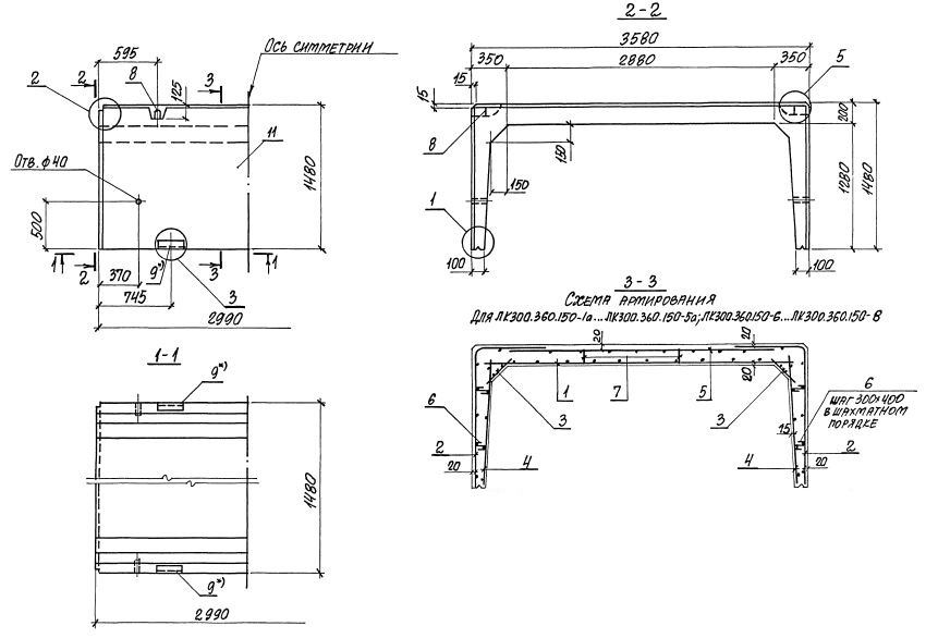
Характеристики изделия:
ПараметрЗначение
длина740 мм
ширина3580 мм
высота1480 мм
масса2130 кг
нормативный документСерия 3.006.1-8

ЛК 75.360.150  Лотки каналов Серия 3.006.1-8.