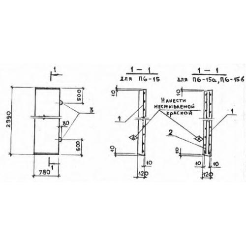
П 6

Чертеж изделия:
Характеристики изделия:
ПараметрЗначение
длина2990 мм
ширина780 мм
высота120 мм
вес700 кг
серия3.006-2

П 6 Плиты перекрытия лотков по серии 3.006-2.