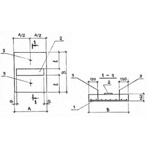
ОП 4
Характеристики изделия:
| Параметр | Значение |
|---|---|
| длина | 500 мм |
| ширина | 500 мм |
| высота | 140 мм |
| вес | 90 кг |
| серия | 3.006-2 |
Цена:
Рассчитать стоимостьОП 4 Опорные подушки по серии 3.006-2.
| Параметр | Значение |
|---|---|
| длина | 500 мм |
| ширина | 500 мм |
| высота | 140 мм |
| вес | 90 кг |
| серия | 3.006-2 |
ОП 4 Опорные подушки по серии 3.006-2.
