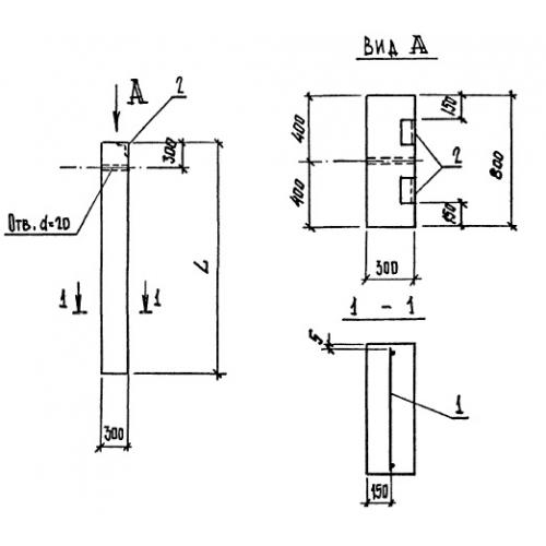
УБ 18.80

Чертеж изделия:
Характеристики изделия:
ПараметрЗначение
длина1785 мм
ширина300 мм
высота800 мм
вес1080 кг
серия1.432.1-20

УБ 18.80 Блоки угловые по серии 1.432.1-20.