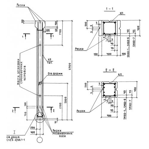
К 60 колонны

Чертеж изделия:
Характеристики изделия:
ПараметрЗначение
длина6900 мм
ширина400 мм
высота400 мм
масса2750 кг
нормативный документСерия 1.423-3

К 60  Колонны Серия 1.423-3.