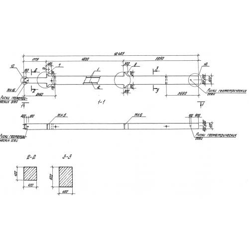
К 24 колонны

Чертеж изделия:
Характеристики изделия:
ПараметрЗначение
длина12425 мм
ширина400 мм
высота600 мм
масса7300 кг
нормативный документСерия 1.420-35.95

К 24 Колонны Серия 1.420-35.95.