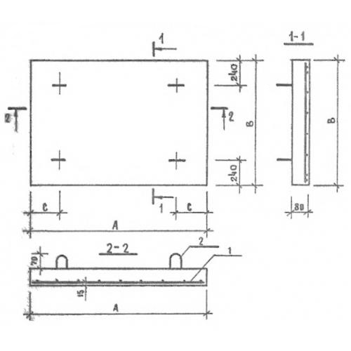
ПТ 13.13 плиты плоские железобетонные

Чертеж изделия:
Характеристики изделия:
ПараметрЗначение
длина1300 мм
ширина1300 мм
высота80 мм
масса338 кг
нормативный документСерия 1.243.1-4

ПТ 13.13  Плиты плоские железобетонные Серия 1.243.1-4.