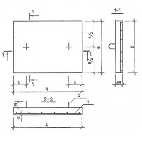
ПТ 11.9 плиты плоские железобетонные
Характеристики изделия:
| Параметр | Значение |
|---|---|
| длина | 1100 мм |
| ширина | 900 мм |
| высота | 80 мм |
| масса | 198 кг |
| нормативный документ | Серия 1.243.1-4 |
Цена:
Рассчитать стоимостьПТ 11.9 Плиты плоские железобетонные Серия 1.243.1-4.
