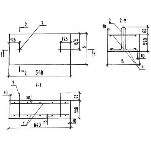
ОП 6-4 опорные плиты прогонов

Чертеж изделия:
Характеристики изделия:
ПараметрЗначение
длина640 мм
ширина380 мм
высота220 мм
масса134 кг
нормативный документСерия 1.225-2

ОП 6-4  Плиты опорные Серия 1.225-2.