ПР 30.15

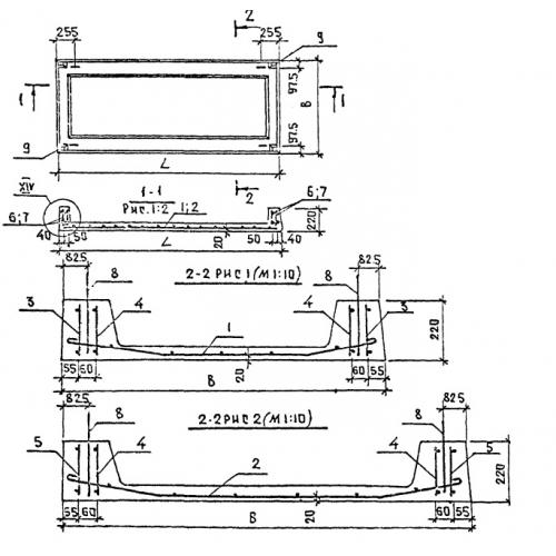
Чертеж изделия:
Характеристики изделия:
ПараметрЗначение
длина2980 мм
ширина1490 мм
высота220 мм
вес1050 кг
серия1.220.1-2

ПР 30.15 Панели перекрытия ребристые по серии 1.220.1-2.