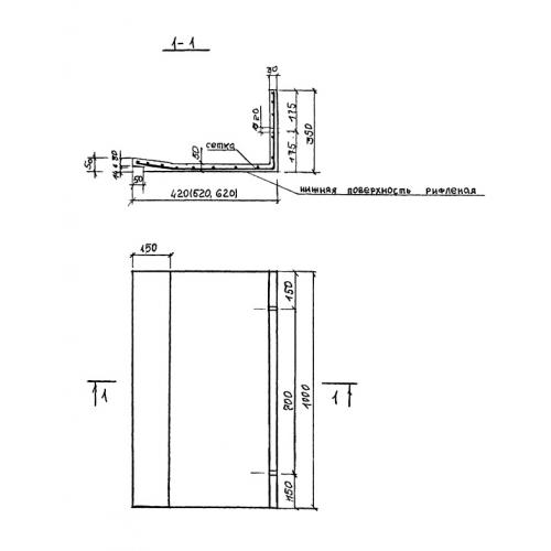
ПУ-10.4.3.5

Чертеж изделия:
Характеристики изделия:
ПараметрЗначение
длина1000 мм
ширина420 мм
высота350 мм
масса58 кг
нормативный документСерия 1.149-КР-1

ПУ-10.4.3.5  Железобетонные плиты перекрытия Серия 1.149-КР-1.