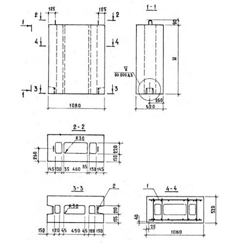
ВБХ 11.14.5 блоки вентиляционные
Характеристики изделия:
| Параметр | Значение |
|---|---|
| длина | 1080 мм |
| ширина | 520 мм |
| высота | 1350 мм |
| масса | 700 кг |
| нормативный документ | Серия 1.134.1-12 |
Цена:
Рассчитать стоимостьВБХ 11.14.5 Блоки вентиляционные холодного чердака Серия 1.134.1-12.