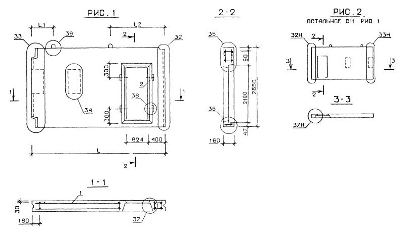
В2 5-64.27.16-5

Чертеж изделия:
Характеристики изделия:
ПараметрЗначение
длина6430 мм
ширина160 мм
высота2650 мм
масса6000 кг
нормативный документСерия 1.131-2/82

Серия 1.131-2/82  Панели внутренних поперечных стен толщиной 120 и 160 мм.

В2 5-64.27.16-5  Внутренняя стеновая панель. (рис. 1)