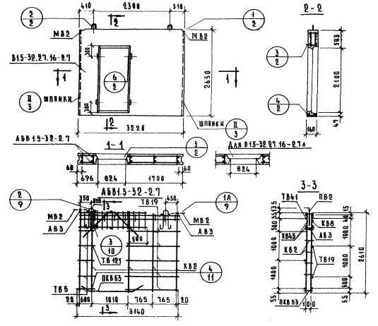
В1.5-32.27.16-2.7
Характеристики изделия:
| Параметр | Значение |
|---|---|
| длина | 3220 мм |
| ширина | 160 мм |
| высота | 2650 мм |
| масса | 2720 кг |
| нормативный докумнет | Серия 1.131-1 |
Цена:
Рассчитать стоимостьВ1.5-32.27.16-2.7 Внутренние стеновые панели (Серия 1.131-1).
| Параметр | Значение |
|---|---|
| длина | 3220 мм |
| ширина | 160 мм |
| высота | 2650 мм |
| масса | 2720 кг |
| нормативный докумнет | Серия 1.131-1 |
В1.5-32.27.16-2.7 Внутренние стеновые панели (Серия 1.131-1).
