НЦ 45.20.30
Характеристики изделия:
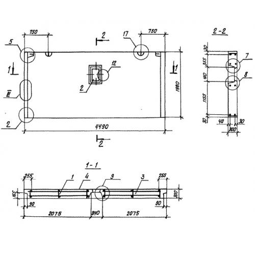
| Параметр | Значение |
|---|---|
| длина | 4490 мм |
| ширина | 300 мм |
| высота | 1980 мм |
| вес | 4410 кг |
| серия | 1.100.1-7 |
Цена:
Рассчитать стоимостьНЦ 45.20.30 Наружная цокольная стеновая панель по серии 1.100.1-7.
| Параметр | Значение |
|---|---|
| длина | 4490 мм |
| ширина | 300 мм |
| высота | 1980 мм |
| вес | 4410 кг |
| серия | 1.100.1-7 |
НЦ 45.20.30 Наружная цокольная стеновая панель по серии 1.100.1-7.
