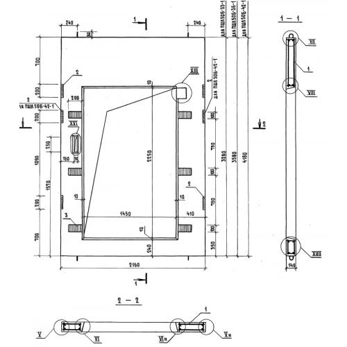
ПШЛ 50-33
Характеристики изделия:
| Параметр | Значение |
|---|---|
| длина | 2160 мм |
| ширина | 140 мм |
| высота | 3280 мм |
| вес | 1320 мм |
| серия | 1.089.1-2 |
Цена:
Рассчитать стоимостьПШЛ 50-33 Панель шахты для пассажирского лифта по серии 1.089.1-2.
| Параметр | Значение |
|---|---|
| длина | 2160 мм |
| ширина | 140 мм |
| высота | 3280 мм |
| вес | 1320 мм |
| серия | 1.089.1-2 |
ПШЛ 50-33 Панель шахты для пассажирского лифта по серии 1.089.1-2.
