ЛП 15-5
Характеристики изделия:
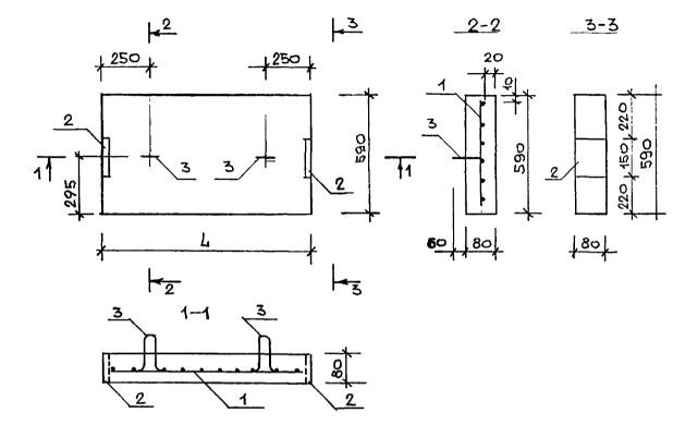
| Параметр | Значение |
|---|---|
| длина | 1500 мм |
| ширина | 590 мм |
| высота | 80 мм |
| масса | 180 кг |
| нормативный документ | Серия 1.050.9-4.93 |
Цена:
Рассчитать стоимостьЛП 15-5 Площадочные плиты Серия 1.050.9-4.93.
| Параметр | Значение |
|---|---|
| длина | 1500 мм |
| ширина | 590 мм |
| высота | 80 мм |
| масса | 180 кг |
| нормативный документ | Серия 1.050.9-4.93 |
ЛП 15-5 Площадочные плиты Серия 1.050.9-4.93.