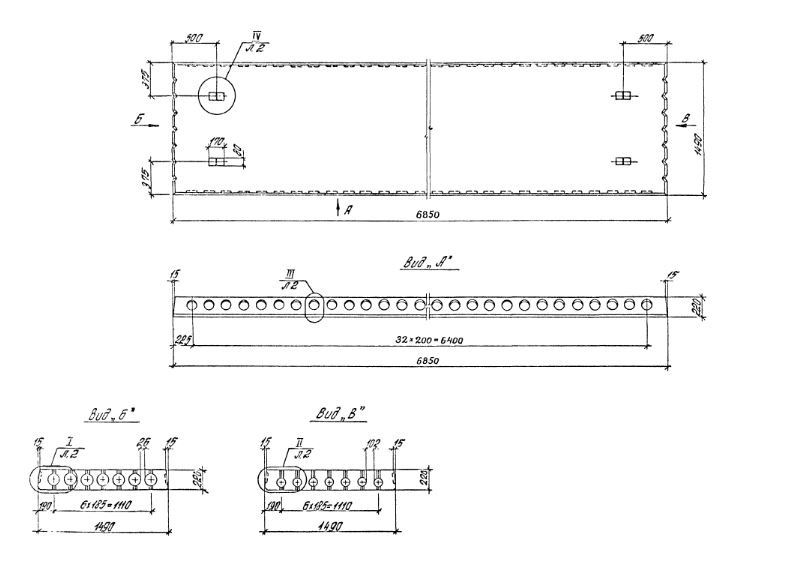
ПК 68.15 плиты рядовые

Чертеж изделия:
Характеристики изделия:
ПараметрЗначение
длина6850 мм
ширина1490 мм
высота220 мм
масса3200 кг
нормативный документСерия 1.041.1-3

ПК 68.15  Плиты рядовые Серия 1.041.1-3.