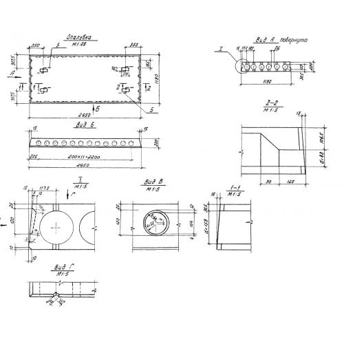
ПК 27-12-12

Чертеж изделия:
Характеристики изделия:
ПараметрЗначение
длина2650 мм
ширина1190 мм
высота220 мм
вес700 кг
серия1.041-1

ПК 27-12-12 Многопустотные плиты перекрытия по серии 1.041-1.