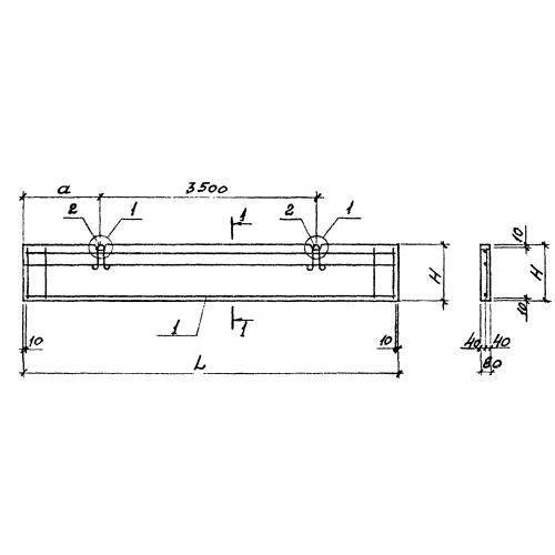
ПГ 56.6 панели перегородки

Чертеж изделия:
Характеристики изделия:
ПараметрЗначение
длина5640 мм
ширина80 мм
высота585 мм
масса430 кг
нормативный документСерия 1.030.9-2

ПГ 56.6   Перегородки панельные зданий промышленных и сельскохозяйстыенных предприятий Серия 1.030.9-2.