ПСЦ 46.230.25
Характеристики изделия:
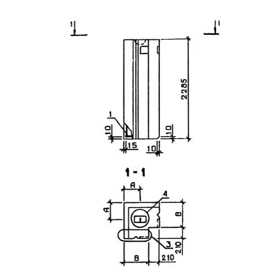
| Параметр | Значение |
|---|---|
| длина | 460 мм |
| ширина | 2285 мм |
| высота | 460 мм |
| масса | 5200 кг |
| нормтаивный документ | Серия 1.020.1-3пв |
Цена:
Рассчитать стоимостьПСЦ 46.230.25 Панели стеновые цокольные Серия 1.020.1-3пв.
| Параметр | Значение |
|---|---|
| длина | 460 мм |
| ширина | 2285 мм |
| высота | 460 мм |
| масса | 5200 кг |
| нормтаивный документ | Серия 1.020.1-3пв |
ПСЦ 46.230.25 Панели стеновые цокольные Серия 1.020.1-3пв.