3К 3.28(33)

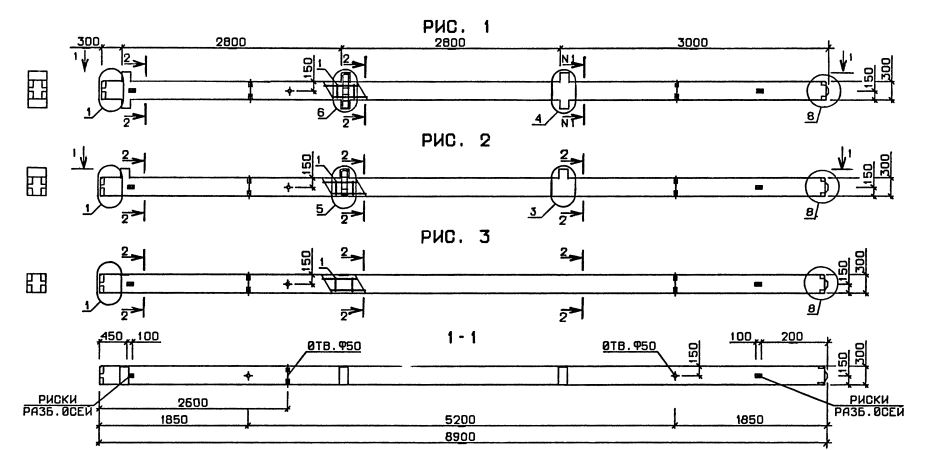
Чертеж изделия:
Характеристики изделия:
ПараметрЗначение
длина8900 мм
ширина300 мм
высота300 мм
масса2080 кг
нормативный документСерия 1.020.1-3пв

3К 3.28(33)  Колонны Серия 1.020.1-3пв.