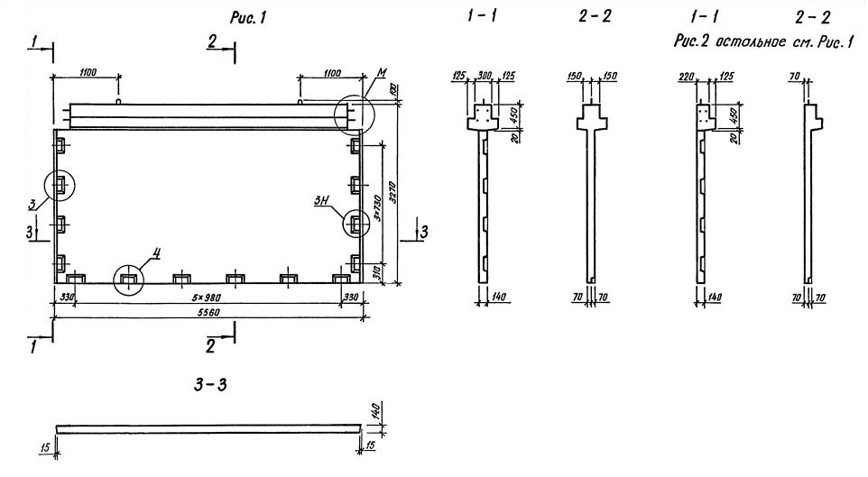
2Д 56.33

Чертеж изделия:
Характеристики изделия:
ПараметрЗначение
длина5560 мм
ширина550 мм
высота3270 мм
масса7780 кг
нормативный документСерия 1.020.1-3пв

2Д 56.33  Диафрагмы жесткости с двумя полками Серия 1.020.1-3пв.