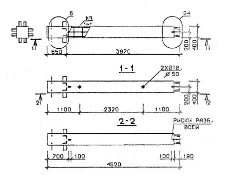
КВ 54

Чертеж изделия:
Характеристики изделия:
ПараметрЗначение
длина4520 мм
ширина400 мм
высота400 мм
масса1807 кг
нормативный документСерия 1.020.1-2с/89

КВ 54 Колонны верхние Серия 1.020.1-2с/89.