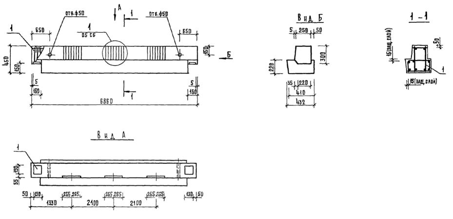
РОП 4.69 ригели

Чертеж изделия:
Характеристики изделия:
ПараметрЗначение
длина6860 мм
ширина432 мм
высота450 мм
масса2525 кг
нормативный документСерия 1.020-1/83

РОП 4.69  Ригели однополочные для опирания многопустотных плит покрытия Серия 1.020-1/83.