С 8-30

Чертеж изделия:
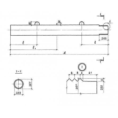
Характеристики изделия:
ПараметрЗначение
длина8000 мм
ширина300 мм
высота300 мм
вес1780 кг
серия1.011.1-7

С 8-30 Свая составная верхняя квадратного сплошного сечения по серии 1.011.1-7.