ТМ 12

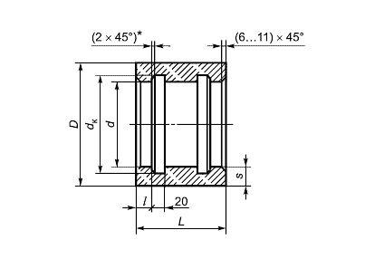
Чертеж изделия:
Характеристики изделия:
ПараметрЗначение
длина220 мм
ширина307 мм
высота307 мм
масса16,2 кг
нормативный документГОСТ 31416-2009

ТМ 12   Муфты хризотилцементные для напорных теплопроводов ГОСТ 31416-2009.